NOVA Season 30 Episode 16

NOVA Season 30 Episode 16 Secret of Photo 51

  • April 22, 2003
  • 8.3  (31)

NOVA season 30 episode 16, titled "Secret of Photo 51," takes viewers on a journey behind the making of one of the greatest scientific discoveries of the 20th century - the structure of the DNA molecule. The episode recounts the story of British scientist Rosalind Franklin and her crucial role in unlocking the secrets of DNA.

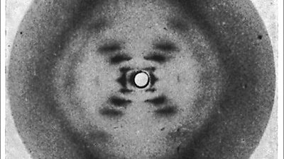
In the early 1950s, a race to discover the structure of DNA was underway. American physicist James Watson and British biologist Francis Crick were hot on the trail, but they needed key data to finalize their model. That is where Rosalind Franklin and her colleague Maurice Wilkins come into play. Franklin was an expert in X-ray crystallography, a technique used to study the structure of molecules. With her expertise, she captured an image of DNA using X-ray crystallography that was dubbed "Photo 51."

This episode explores the story of Franklin and Wilkins' work and the drama that unfolded as Watson and Crick raced to decode the structure of DNA. Through the use of rare archival footage and interviews with experts in the field, viewers get a glimpse into the intense competition and intrigue that surrounded this groundbreaking discovery.

The episode also provides an in-depth look at the science behind X-ray crystallography and how Franklin's work paved the way for the understanding of DNA. Viewers will learn about the challenges Franklin faced as a woman in a male-dominated field and how her contributions were overlooked and undervalued for many years.

Finally, the episode delves into the ethical implications of the discovery of DNA and how it led to a revolution in genetic research. It concludes by recognizing Franklin's contributions to science and her perseverance in the face of adversity.

Overall, "Secret of Photo 51" is a fascinating look at the science, drama, and human story behind one of the most significant discoveries of the 20th century. Through its engaging storytelling and use of archival footage, the episode immerses viewers in the world of DNA research and sheds light on the often-overlooked contributions of one of science's greatest unsung heroes.

This episode doesn't appear to be available from any streaming services, but watch free movies on Watch Now
Add this show to your Watchlist to get notified when new episodes are available.
Description
  • First Aired
    April 22, 2003
  • Language
    English
  • IMDB Rating
    8.3  (31)